
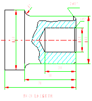
設—號刀為外圓刀,二號刀為φ3mm鉆頭,三號刀為切斷刀,四號刀為φ16mm鉆頭,六號刀為鏜刀。毛坯為φ53mmX100mm的棒料。選取工件軸線與工件右端面的交點O為坐標原點,其加工設—號刀為外圓刀,二號刀為φ3mm鉆頭,三號刀為切斷刀,四號刀為φ16mm鉆頭,六號刀為鏜刀。毛坯為φ53mmX100mm的棒料。選取工件軸線與工件右端面的交點O為坐標原點,其加工
程序為:
N0l G50 X150. Z200.;
N02 M03 S800 T0101;
N03 G00 X55. ZO;
N04 G01 X0 F0.4;
N05 G00 Z2.0;
N06 X50.;
N07 G01 Z-73. F0.4;
N08 G00 X52.Z2.,
N09 X40.;
N10 G01 2-45. F0.3;
N11 G02 X50. Z-50. R5.;
N12 G00 X55. Z1.;
N13 X34.;
N14 G01 X40.Z-2.F0.4;
N15 G00 X150. Z200. T0100;
N16 M03 S1500 T0202;
N16 M03 S1500 T02;
N17 GOO X0 Z2.;
N18 G01 Z-4. F0.12;
N19 G00 Z2.;
N20 X150. Z200. T0200;
N21 M03 S500 T0404 M08;
N22 G00 XO 22.;
N23 G01 W-15. F0.12;
N24 G00 W5.;
N25 G01 W-15. F0.12;
N26 GOO W5.;
N27 G01 W-15. F0.12;
N28 G00 W5.;
N29 G0l W-10. F0.12;
N30 GOO W40.;
N31 M09;
N32 GOO X150. Z200. T0400;
N33 X18. Z2. T0606 M08; #p#分頁標題#e#
N34 G01 Z-30. S1000 FO.1;
N35 GOO X16.;
N36 Z2.;
N37 X20.;
N38 G01 Z-30. FO.1;
N39 GOO X18.;
N40 Z2.;
N41 X22.;
N42 G01 Z0 FO.3;
N43 X20. Z-1.;
N44 GOO Z2.;
N45 X150. Z200. T0600;
N46 GOO X52. Z-70. S500 T0303;
N47 G01 X0 FO.15;
N48 GOO X55.;
N49 X150. Z200.;
N50 M09;
N51 M30;
相關文章
- 2021-07-24AutoCAD 機械制圖方法與實例 [王勻,陸廣華,許楨英 主編]
- 2021-07-12Maya總動員:動畫編程篇 張寶貴等PDF下載
- 2016-02-19AutoCAD2005建筑制圖:別墅整套圖紙繪制方法與技巧
- 2016-01-27CAD字體大全1468種下載及安裝方法
- 2014-08-27某工廠數控車間建筑施工圖下載
- 2014-08-26某實驗室加工車間建筑方案圖下載
- 2014-08-07某面粉加工廠建筑施工圖下載
- 2014-07-21某加工廠房建筑施工圖CAD圖紙全套下載
- 2013-05-23某船廠30t拉塢臺車3D圖免費下載
- 2013-04-17B2電機全套CAD加工圖紙免費下載